QR kodu
Haqqımızda
Məhsul
Bizimlə əlaqə saxlayın


Faks
+86-574-87168065

E-poçt

Ünvan
Luotuo Industrial Area, Zhenhai District, Ningbo City, Çin
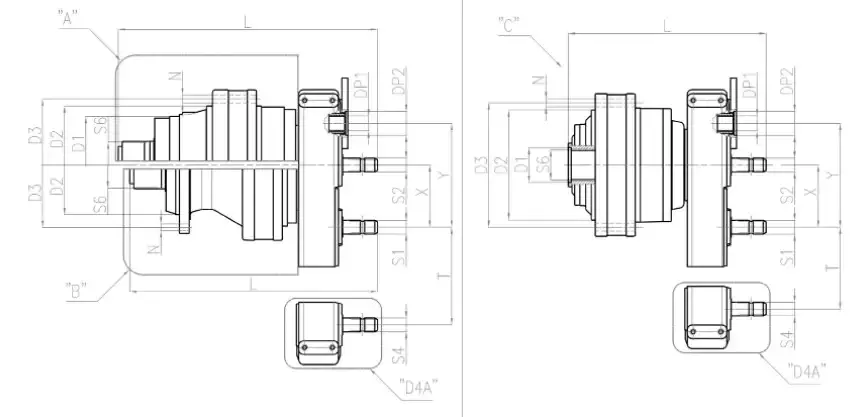
| Model | Pg-702 | Pg-1002 | Pg-1602 | Pg-1802 | Pg-2502 | Pg-3002 | PG-3503 | |||
| Nisbət i | 18.2 | 18.3 | 13.4-33.6 | 15.7-29.9 | 14.6-20-36.2. | 45.3 | 53.7 | |||
| Çıxış növü | B | B | B | C | B | C | A | C | C | C |
| D1 |
|
|
|
88hb |
|
88hb | 245f7 | 102h7 | 102h7 | 122hf |
| D2 | 200f7 | 230f7 | 230f7 | 278f7 | 230f | 278f7 | 340f7 | 340f7 | 340f7 | 340f7 |
| D3 | 250 | 295 | 295 | 314 | 295 | 314 | 370 | 370 | 370 | 370 |
| N | ∅15 × n ° 12 | ∅17 × n ° 10 | ∅17 × n ° 10 | ∅15 × n ° 18 | ∅17 × n ° 10 | ∅15 × n ° 18 | ∅17 × n ° 15 | ∅17 × n ° 15 | ∅17 × n ° 15 | ∅17 × n ° 15 |
| L | 646.5 | 627.5 | 693 | 490.5 | 714 | 499.5 | 798.5 | 595.5 | 601 | 680.5 |
| S6 | 70 * 64 din5482 | 80 * 74 DIN5482 | 100 * 94 DIN5482 | 80 * 74 DIN5482 | 100 * 94 DIN5482 | 80 * 74 DIN5482 | 100 * 94 DIN5482 | 100 * 94 DIN5482 | 100 * 94 DIN5482 | 120 * 22 * 5 DIN5482 |
| S1 | 1 "3/8 Z6 | 1 "3/8 Z6 | 1 "3/8 Z6 | 1 "3/8 Z6 | 1 "3/8 Z6 | 1 "3/8 Z6 | 1 "3/8 Z6 | 1 "3/8 Z6 | 1 "3/8 Z6 | 1 "3/8 Z6 |
| S2 | 1 "3/8 Z6 | 1 "3/8 Z6 | 1 "3/8 Z6 | 1 "3/8 Z6 | 1 "3/8 Z6 | 1 "3/8 Z6 | 1 "3/8 Z6 |
|
|
|
| Dp1 | 40 * 36 DIN5482 | 40 * 36 DIN5482 | 40 * 36 DIN5482 | 40 * 36 DIN5482 | 40 * 36 DIN5482 | 40 * 36 DIN5482 | 40 * 36 DIN5482 | 40 * 36 DIN5482 | 40 * 36 DIN5482 | 40 * 36 DIN5482 |
| Dp2 | 60.3hb | 60.3hb | 60.3hb | 60.3hb | 60.3hb | 60.3hb | 60.3hb | 60.3hb | 60.3hb | 60.3hb |
| X | 157 | 157 | 157 | 157 | 157 | 157 | 157 | 157 | 157 | 157 |
| Y | 262 | 262 | 262 | 262 | 262 | 262 | 262 | 262 | 262 | 262 |
| S4 |
|
|
|
1 "3/8 Z6 |
|
1 "3/8 Z6 |
|
1 "3/8 Z6 | 1 "3/8 Z6 | 1 "3/8 Z6 |
| T |
|
|
|
156.8 |
|
156.8 |
|
156.8 | 156.8 | 156.8 |
| Model | Nisbət i | D1 | D2 | D3 | D4 | N | E |
| Pg-1602 | 22.14-33.6 | 80 * 74 DIN5482 | 225 F7 | 278 f7 | 314 | ∅15 × n ° 18 | Sae b / sae c |
| Pg-2502 | 20-36.2. | 100 * 94 DIN5482 | 245 F7 | 340f7 | 370 | ∅17 × n ° 15 | Sae b / sae c |
| Model | Nisbət i | D1 | D2 | D3 | N | E |
| Pg-161 | 3.55-2.49-5.60 | 40 * 36 DIN5482 | 110 F7 | 165 | ∅10.5 × n ° 8 | SAE A / SAE B / SAE BB / OMTS |
| Pg-251 | 4.13-5.17-6.00 | 58 * 53 DIN5482 | 150 f7 | 195 | ∅13 × n ° 10 | SAE A / SAE B / SAE BB / OMTS |
| Pg-501 | 4.13-5.17-6.00 | 58 * 53 DIN5482 | 150 f7 | 195 | ∅13 × n ° 10 | SAE A / SAE B / SAE BB / OMTS |
İnkişafıPg seriyası qidalandırıcı mikser planetarası sürət qutusuənənəvi qarışdırma cihazlarının ötürmə sisteminin ağrı nöqtələrinə dərin bir fikir söyləyir. Üç planetik dişli ötürücü memarlıq, mexaniki quruluşların sadə bir yığılması deyil, lakin müxtəlif xammal nisbətləri altında stres şəraitinin təkrar simulyasiyası vasitəsilə, dişli modulun, diş eni və helix bucağının qızıl birləşməsi nəticəsində müəyyən edilir. Məsələn, qarğıdalı budaqları və soya yeməyi qarışıqlarını emal edərkən, özünəməxsus cəlbedici diş dizaynı, maddi sıxılma riskini 15% azalda bilər. Yüksək dəqiqlik daşları prosesi ilə diş səthinin pürlənməsi, transmissiya səmərəliliyini ənənəvi sürət qutuları ilə müqayisədə 8% -10% artıran Ra0.8-in altında idarə olunur. Bir yem fabrikinin ölçülmüş məlumatları, gündə 12 saat davamlı əməliyyatdan sonra bu sürət qutusunun enerji istehlakı oxşar məhsullardan 14% -dir və qarışdırma şaftının fırlanma analizi 22% azalır, bu da qarışdırma vahidliyini əhəmiyyətli dərəcədə yaxşılaşdırır.
Tez-tez qidalanma xammalında qarışdırılmış qum, daş və metal zibil kimi sərt hissəciklər üçün bu sürət qutusu material və proseslər baxımından hədəf alınmışdır. Dişli gövdəsi 20crmnti alloy poladdan hazırlanmışdır. Bir karbürizasiya dərinliyi ilə müalicəni söndürdükdən sonra, aşağı temperatur temperaturu ilə birləşdirilmiş, diş kökü əyilmə yorğunluq gücü 850MPA-dan çox artmışdır. Bir ranchada natamam xammal ekstremal iş şəraiti altında, onun vurma müqaviməti davamlı 500 saatlıq qum və çınqıl zərbi testi ilə, diş səthində cüzi cızıqlar soyulmadan göründü. Eyni zamanda, qabırğalı plaka planını və planetar daşıyıcısının əvvəlcədən yüklənməsini optimallaşdırmaqla, sürət qutusu, dişli səhvləri və ya həddindən artıq yükləmə riskindən qaçaraq, 1,5 qat bərabər təsir göstərərkən, sürətlənən torku tutmadan, ötürmə dəqiqliyini qoruya bilər.
GearBox-un ağıllı dizaynı, fəsli emal sənayesində işləmə və istismar hissələrinin dərin bir anlayışından əldə edilir. Quraşdırılmış ağıllı monitorinq modulu sadə bir məlumat toplayan deyil, bir alqoritm modeli vasitəsilə temperatur, titrəmə, cari və digər siqnalların çarpaz təhlilidir. Məsələn, rulman temperaturu qeyri-adi dərəcədə yüksək olacağı aşkar edildikdə, sistemin yağlanmasının və ya gözdənkənar tövsiyələrin olmamasını və ya xüsusi təmir tövsiyələrini itələdiyini müəyyən etmək üçün yükləmə tarixi məlumatlarını birləşdirəcəkdir. Bu sistemi tətbiq etdikdən sonra bir yem şirkəti, yağ və ya rulmanı rəsmiləşdirilməsini əvvəlcədən tənzimləməklə üç planlaşdırılmamış aşağı müddətdən çəkindi və ümumi avadanlıqların səmərəliliyi (oee) 18% artdı. Bundan əlavə, onun modul sürətli buraxılış quruluşunun dizaynı cəbhə baxımının işçilərinin rəyindən ilhamlanmışdır. Planetariya dişli dəstinin ümumi dəyişdirilməsini başa çatdırmaq üçün yalnız dörd bolt gevşetmək lazımdır və ənənəvi quruluşun 4 saatdan 1,5 saata qədər saxlanılır.
Ətraf mühitin qorunması və enerji səmərəliliyi optimallaşdırılması baxımından, sürət qutusunun yenilikçi dizaynı xərcləri azaltmaq və səmərəliliyi artırmaq üçün yem sənayesinin ehtiyaclarını dəqiq başa düşmək üçün dəqiqlikdən qaynaqlanır. İstilik dağılması quruluşu istilik dağılması sahəsini kor-koranə artırmır, lakin təbii istilik dağılması səmərəliliyinin 30% artması ilə istilik dağılması qabırğalarının spiral bucağını və boşluğunu 30% artırmasını və bununla da soyutma fanatının enerji istehlakını azaltmasıdır. Yağlama sistemində, ənənəvi sürət qutularının "sel sel" yağlama metodundan qaçaraq, yağlama qutusunun yağlama metodundan qaçaraq yağlama sistemini dinamik şəkildə tənzimləmək üçün ikili zonalı neft tədarükü texnologiyası qəbul edilir və 25% azaldılır. Avropaya ixrac olunan bir yem istehsal xəttinin həqiqi ölçülməsi göstərir ki, sürət qutusunun səs-küy səviyyəsi AB-nin 5DB-dən aşağı səviyyədədir və enerji səmərəliliyi səviyyəsi IE3 standartına çatır, müştərilərə idxal olunan ölkənin enerji səmərəliliyinin sertifikatını uğurla keçməyə kömək edir. Ticarət dəyəri ilə texniki təfərrüatları dərin bir şəkildə bağlayan bu dizayn konsepsiyası, bazarın tanınmasını qazanan məhsulun açarıdır.
Hello! Mən, İspaniyanın Barselonadan olan bir müştəri Elena García. Bir yarım il üçün photovoltaik panel izləmə sistemində planetli sürət qutusundan istifadə etdik. Bu avadanlıq günəş işığı dəqiqliyi problemimizi tamamilə həll etdi - əvvəl istifadə etdikdən əvvəl istifadə etdiyimiz sürət qutusu, hər səhər və axşam hər səhər 5 dərəcə izləmə sapması olub, kodlayıcı ilə planetar sürət qutusu isə 0,5 dərəcə içərisində izləmə səhvini idarə edə bilər. İndi fotovoltaik panellərin orta gündəlik gücləndirilməsi əvvəllər ilə müqayisədə 18% artmışdır və hətta elektrik qanun layihəsi xeyli incə oldu. İndi bu planetar sürət qutusu Dəniz kənarındakı fotovoltaik elektrik stansiyasında duz spreyi və güclü küləklərin testini keçirdi. GearBox mənzilinin korroziya örtüyü heç bir düşmənin əlamətləri göstərmədi və daxili dişli yağı əvvəlki kimi tez-tez dəyişdirilməsinə ehtiyac yoxdur. Gələcəkdə daha çox bərpa olunan enerji layihələrində sizinlə işləməyi səbirsizliklə gözləyirəm!
Mən Almaniyadan olan mexaniki mühəndis olan Hans Müller. Yarım il əvvəl, mən Raydafonun planetar yolları istehsal xətti yüksəltmələri üçün aldım. Onlardan istifadə etdikdən sonra gözləntilərimi aşdılar! Avadanlıq yüksək yükləvi şəkildə yüksək özlülük xammalını emal etmək üçün 16 saat yüksək yüklə işləyir. Sürət qutusu səs-küyü 20% azalır, ötürmə səmərəliliyi 94% -dən çox sabitdir, temperatur artımı həmişə 25 ° C-də idarə olunur və davamlılığı köhnə modellərdən çox üstündür. Sizin komandanız proses boyunca peşəkar və səmərəli idi, erkən parametr optimallaşdırmasından, sızdırmazlıq quruluşu rəhbərliyinə yönəldilmişdir. Ətraflı dizayn (toz keçirməyən möhürlər və standart montaj delikləri kimi) daha da həqiqi iş şəraiti barədə dərin bir anlayışı əks etdirir. Raydafonun məhsulu keyfiyyəti və xidmət səviyyəsi məni tərəddüd etmədən uzunmüddətli təchizatçıların siyahısına daxil etdi və həmyaşıdlarım üçün tövsiyə edir!
Çox illərdir bir ranch çalışdım və bir çox sürət qutularını dəyişdirdim. Raydafonun planetar qutularından istifadə etməyimə qədər deyildi ki, narahat olmaq üçün nə demək olduğunu həqiqətən başa düşdüm! Əvvəl istifadə etdiyim avadanlıqlar silosu qarışdırarkən həmişə gücləndi və dişlilər tez-tez sürüşdülər. Planetarize sürət qutusunun o qədər güclü olmasını gözləmirdim. Məhsulunuz, düşündüyümdən daha çox sadədir və bu da saxlamaq asandır. Sonuncu dəfə özümdə gündəlik yoxlama etdim, sürət qutusunun çox yaxşı möhürləndiyini və ümumiyyətlə yağ sızması əlaməti olmadığını gördüm. Gələcəkdə sizi mütləq dəstəkləməyə davam edəcəyəm və sizi rancher dostlarımın sizə tövsiyə edirəm! ---- Mark Johnson
Ünvan
Luotuo Industrial Area, Zhenhai District, Ningbo City, Çin
Tel
E-poçt


+86-574-87168065


Luotuo Industrial Area, Zhenhai District, Ningbo City, Çin
Müəllif hüquqları © Raydafon Technology Group Co, məhdud bütün hüquqlar qorunur.
Links | Sitemap | RSS | XML | Məxfilik Siyasəti |
