QR kodu
Haqqımızda
Məhsul
Bizimlə əlaqə saxlayın


Faks
+86-574-87168065

E-poçt

Ünvan
Luotuo Industrial Area, Zhenhai District, Ningbo City, Çin
Raydafon'un SWC-WF Flex Flange tipli Universal birləşmə, ağır maşınların, kranlar, mədən sistemlərində, kranlar, mədən sistemlərində, dayanıqlı gücə ehtiyacı olan bütün sərt qurğular üçün hazırlanmışdır. Bu, çevik olmayan bir flanş dizaynı, 160 mm-dən 640 mm-ə qədər olan Gration diametrləri var və bu flanş tipi universal birləşən böyük açısalıq səhvləri və davamlı fırlanan şəraitdə, hətta super tələbkar şəraitdə işləyərkən da davamlı fırlanan sürətlə problem yoxdur. Onu qurmaq üçün yüksək gücü 35crmo poladdan istifadə edirik, buna görə də mükəmməl yüklərə mükəmməl şəkildə, niyə ağır maşınlar üçün universal muftalar və sənaye tətbiqləri üçün qeyri-flex universal muftalar üçün ən yaxşı seçimdir. Raydafonun dəqiqliyi hər zaman, xüsusən ardıcıl fırlanma anında kompromis edə bilməyən sənaye sahələri üçün möhkəm performans təmin etdiyinə əmin olur.
Bu SWC-WF Universal birləşmə, axirət hərəkəti çox olmadığı yerlərdə sürücülük sürücüsü və yuvarlanan dəyirman yerləri kimi quraşdırılmış sistemlərdə quraşdırma asanlaşdıran sərt bir flanş bağlantısı ilə qurulmuşdur. Biz ISO 9001 standartlarına ciddi şəkildə izləyirik və Çin əsaslı fabrikimiz bu davamlı flanş universal birləşməsini təmin etmək üçün qabaqcıl emal və sıx keyfiyyət çeklərindən istifadə edir. Özelleştirilebilir ölçülərdə, tork reytinqləri 1250 kn-ə qədər olan, buna görə metallurgiya avadanlığı və digər ağır qurğular üçün xüsusi universal muftalara uyğun gəlir. Raydafon, eyni zamanda, rəqabətqabiliyyətli qiymətlərlə uyğunlaşdırılmış həllər təklif edir, iş vaxtı kəsməyə və avadanlıqların etibarlılığını artırmağa kömək edir.
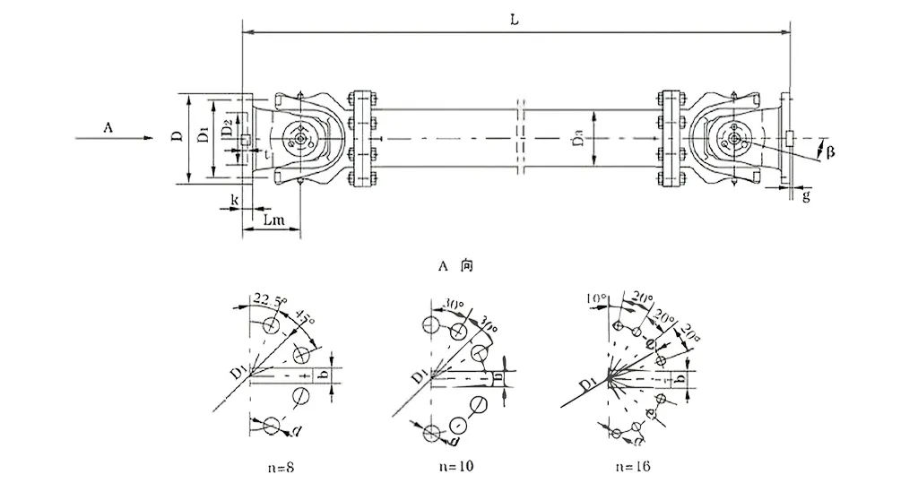
| Hə | Gyration diametri d mm | Nominal tork Tn Kn · m | Balxlar qat açı β (°) | Yorğun tork Tf Kn · m | Ölçü (mm) | Fırlanan ətalət kq2 | Çəki (kq) | |||||||||||
| Lansız | D1 (JS11) | D2 (H7) | D3 | Lm | n-d | k | t | b (H9) | g | Lansız | Artırmaq 100 mm | Lansız | Artırmaq 100 mm | |||||
| Swc285wf | 285 | 90 | 45 | ≤15 | 810 | 245 | 170 | 194 | 160 | 8-21 | 27 | 7 | 40 | 15 | 2.664 | 0.051 | 220 | 6.3 |
| Swc315wf | 315 | 125 | 63 | 915 | 280 | 185 | 219 | 180 | 10-23 | 32 | 8 | 40 | 15 | 4.469 | 0.0795 | 300 | 8.0 | |
| Swc350wf | 350 | 180 | 90 | 980 | 310 | 210 | 267 | 194 | 10-23 | 35 | 8 | 50 | 16 | 7.388 | 0.2219 | 412 | 15.0 | |
| Swc390wf | 390 | 250 | 125 | 1100 | 345 | 235 | 267 | 215 | 10-25 | 40 | 8 | 70 | 18 | 13.184 | 0.2219 | 588 | 15.0 | |
| Swc440wf | 440 | 355 | 180 | 1290 | 390 | 255 | 325 | 260 | 16-28 | 42 | 10 | 80 | 20 | 23.250 | 0.4744 | 880 | 21.7 | |
| Swc490wf | 490 | 500 | 250 | 1360 | 435 | 275 | 325 | 270 | 16-31 | 47 | 12 | 90 | 22.5 | 40.750 | 0.4744 | 1173 | 21.7 | |
| Swc550wf | 550 | 710 | 355 | 1510 | 492 | 320 | 426 | 305 | 16-31 | 50 | 12 | 100 | 22.5 | 68.480 | 1.3570 | 1663 | 34.0 | |
| Swc620wf | 620 | 1000 | 500 | 1690 | 555 | 380 | 426 | 340 | 10-38 | 55 | 12 | 100 | 25 | 127.530 | 1.3570 | 2332 | 34.0 | |
* 1. TF-altından alternativ olaraq yorğunluq gücünə görə icazə verən torku yükləyin.
* 2. Tələbə uyğun olan L-quraşdırın.
Raydafon'un SWC-WF, Flex Flange tipli Universal Birgə Birgə Birgə Birgə Birgə Birgə Birgə Birgə Birgə Birgə Birgə Birgə Birgə Birgə Birgə Birgə Təsvir (İki Kollinear şaftının hara getməsi lazım olduğu üçün fırlanma anı da var və bu da səhv işlədir. Bu yüksək tork universal birgə qoşma, flanşları hər iki ucun üzərinə bağlamaq üçün çarpaz bir quraşdırma istifadə edir, buna görə vallar 25 dərəcəyə qədər və ya eksenel / radial sapmalara qədər olanda da rəvan gücü də hərəkət edir.
İş necə işlədiyinin ürəyi universal birgə dizayndır - hər bir flanşın öz-özünə hərəkət etməsinə imkan verən bir pivot kimi hərəkət edən bir xaç şaft var. Bu yolla, fırlanma anı sürücülük şaftından idarə olunan şaftdan effektiv şəkildə gedir və bu, bağlı olan hissələrə çox stress qoymadan bucaq səhvləri düzəldir. Rolling dəyirmanı əməliyyatları üçün etibarlı bir ağır bir universal birgə birləşmə ehtiyacınız varsa, bu sərt, çevik olmayan flanş quruluşu, kompakt ağır maşınların qurulmasında qısa məsafəli əlaqələr üçün mükəmməl olan şeyləri sabit saxlayır.
Funksiyasını fərqləndirən şey, çevik hissələri və ya genişləndirmə xüsusiyyətləri yoxdur - bu, digər növlərdən fərqlənir və eksenel hərəkatın minimal olduğu yerlər üçün əla edir. Qaldırma və material işləmə cihazlarında istifadə etdiyimiz davamlı SWC universal birgə şaft birləşməsi bu prinsipə qədər böyük yüklər altında balanslaşdırılmış qalmaq üçün bu prinsipə söykənir; Transmissiya effektivliyini 98,6% -ə qədər vurur və çox enerji sərf etmir. Bu sənaye universal birgə birgə birləşmə, həmçinin dəqiq rulman hərəkəti sayəsində titrəmələri də azaldır, buna görə də sərt sənaye işlərində gördüyünüz ağır maşın universal birgə qoşma sistemləri kimi, yüksək stresli vəziyyətlərdə də rəvan şəkildə işləyir.
Üstəlik, Raydafon'un SWC ağırlıqlı bir universal birgə birgə birləşməsi flanşları onu sərt etmək üçün qaynaqlı idi Böyük enerji ötürülməsi üçün səmərəli bir universal birgə birləşmə kimi, 0,15-dən 1000-ə qədər olan nominal torkaları tutur və φ58-dən φ620-ə qədər olan Gyration diametrləri var. 30-40 dB (a) arasında saxlanılan səs-küylə, bu aşağı səs-küylü universal birgə birləşmə səssiz, səs-küyün bir narahatlıq olduğu, yüksək etibarlılıq standartlarını davam etdirərkən hamı üçün idealdır.
Raydafon'un SWC universal birgə bağlantısı-tez-tez SWC CARDAN MHAFT Universal birgə qoşulma adlandırılır - sadəcə adi bir hissə deyil; Bu, yuvarlanan dəyirmanlar, qaldırma maşınları və hər cür ağır maşın sistemləri kimi ağırlıqlı sənaye qurğuları üçün mütləq olmalıdır. Yüksək torke universal birgə birləşmə olaraq, iş şəraiti kobudlaşdıqda, hətta gücün qarşısını alan əmin-amanlığa səbəb olan əmin-amanlıq halına gətirən iki ötürücü vafı bağlayan möhkəm bir iş görür.
Açar xüsusiyyətləri haqqında danışaq: Gurasiya diametri φ58-dən φ620-ə qədər dəyişir, nominal tork 0,15 ilə 1000 kn · m-dən, ox və ox bucağı 25 ° -dən çox deyil.
Bu məhsul, yayma dəyirmanı əməliyyatları üçün etibarlı ağır bir universal birgə birləşmə və ya qaldırıcı və material işləmə cihazlarında davamlı bir swc universal birgə muftingə ehtiyacınız olduqda, xüsusi ssenarilərə bənzəyir. Bu hallarda, ağır yüklərlə məşğul olanda belə, əməliyyatları sabit saxlamaqla dəyərini sübut edir.
Raydafon'un SWC Universal Birgə Birgə Birgə Birliyi, yalnız funksiya üçün qurulmamışdır - bu sənaye istifadəsi ilə məşğul olmaq və yaxşı uzunmüddətli işləməyi təmin etmək üçün ağıllı dizaynla hazırlanmışdır. Quruluşunun fərqlənməsinə səbəb olanı parçalayaq.
Birincisi, ağlabatan və təhlükəsiz bir konfiqurasiyaya malikdir: Boltların və ya qırılan boltlar kimi riskləri azaldan bu sənaye universal birgə birləşmə üçün inteqrasiya olunmuş bir çəngəl baş dizaynını istifadə etdik. Yalnız bu, struktur bütövlüyünü 30% -50% artırır, buna görə etibarlı və etibarlı işləyir. Daimi muftalarla müqayisədə, daha uzun müddət davam edir və yüksək stresli ləkələrdə ümumi parçalanmalara bənzəyir - ağır iş yerlərində gördüyünüz ağır maşın universal birgə qoşma sistemləri kimi.
Sonra inkişaf etmiş yük daşıyan gücü var: Bu SWC ağırlıqlı universal birgə birləşmə, böyük çəkilərin idarə edilməsi üçün hazırlanmışdır, buna görə mədən və ya inşaat maşınları kimi, üst-üstə yük idarəetmə ehtiyacı olan yerlərdə olmalıdır.
Ayrıca, 98,6% -ə qədər yüksək ötürmə səmərəliliyi verir. Böyük enerji ötürülməsi üçün səmərəli bir universal birgə birləşmə kimi, enerji istifadəsi və onunla gələn xərcləri azaldır. Buna görə yüksək enerji qənaət edən universal birgə bağlama həlləri üçün yüksək güclü sənaye ötürmə qurğularında ən yüksək seçimdir.
Və aşağı səs-küylə hamar işləyir: ötürülmə davamlı saxlayır və səs-küy ümumiyyətlə 30-40 db (a) arasında qalır. Bu aşağı səs-küylü universal birgə birgə qoşma, əməliyyatların yüksək səviyyədə etibarlılığı qoruyarkən səs-küyün bir problem olduğu yerlər üçün mükəmməl olan əmin olun.
⭐⭐⭐⭐⭐ Chen Liang, istehsal mühəndisi, Zhejiang Machinery Co, Ltd.
Raydafonun SWC-WF-ni istehsal xətləriimizdən birində flex flanş tipli bir cütləşmə olmadan qoyuruq və indiyə qədər böyük işlənir. Quruluşun sadə, lakin sərt qurulması bir meh, mürəkkəb addımlar deyildi. Qurulduqdan sonra hamar işləyir, əlavə çimdiklərə ehtiyac yoxdur. Yükün ağır olduğu halda, bu birləşmə etibarlı qalır, bu da çox saatlar narahat olmadan maşınları davam etdirə biləcəyimiz deməkdir - mütləq bizə daha çox dinclik verir.
⭐⭐⭐⭐⭐ Sun Mei, Nəzarətçi, Hebei Steel Co, Ltd.
Şirkətimiz bir neçə swc-wf, Raynafondan Flex Flans tipli bir universal muftalar olmadan bir neçə swc-wf alıb, çatdırılma vaxtında və qablaşdırma heç bir zərər görmədi. Həqiqətən mənim üçün nə fərqi var, atelye komandasının dediyi şeydir: Mənə muftaların quraşdırmaq asan olduğunu və onlardan istifadə edərkən həqiqətən möhkəm hiss etdilər. Üstəlik, digər təchizatçılarla müqayisədə burada qiymət ədalətlidir. Ümumiyyətlə, bu alışdan çox məmnunuq.
⭐⭐⭐⭐⭐ Guo Jun, Baxım meneceri, Liaoning Ağır Sənaye Qrupu
Mənim işim maşınlarımızın işləməsidir və bacardığım qədər aşağı düşməyə çalışıram. Flex Flans tipli Universal birləşmə olmadan Raydafon SWC-WF istifadə etməyə başladıqdan, bu, işdə daha az köhnəlmiş bir şey gördüm və əməliyyat zamanı daha az problemlər gördüm. Dizaynın sərt və bu da çoxlu təmir lazım deyil. Bu, həm vaxt, həm də pulu xilas edir və bu, avadanlıqlarımızın super asılı hissəsi olduğu ortaya çıxdı.
Raydafon, Ever-Power Group Co, Ltd-in əsas törəmə şirkətidir, biz yalnız bir təchizatçı deyil, həm də keyfiyyətli ötürmə komponentləri və sənaye həlləri üçün çox sayda diqqət yetiririk və SWC Cardan Mili Universal birgə qoşulma kimi yenilikçi məhsullara diqqət yetiririk. Başladığımızdan bəri, texnologiyanı inkişaf etdirmək və qlobal bazarlarda böyüməklə bağlı olduq; Tək komponentlərin satılmasında dayanmadıq - indi kənd təsərrüfatı və ağır sənaye ehtiyaclarına uyğun olan tam sistem həlli hazırlayırıq. Sürücü şaftlarında və ötürmə məhsullarımızda, yuvarlanan dəyirman əməliyyatları (və digər sərt işlərdə) üçün etibarlı ağır bir universal birləşmə ehtiyacı olan müştərilərin bizə möhkəm tərəfdaş kimi sayıla biləcəyi müştərilər deməkdir.
Raydafon-da geniş çeşiddə məhsullar hazırlayırıq: sürət qutuları, sürücü şaftları, hidravlik silindrlər, kasnaklar və hətta CNC tornaları və freze maşınları kimi inkişaf etmiş dəzgahlar. Yüksək Torku Universal Birgə Birgə Birgə Birgə Birlik Solutions-SWC seriyasını götür, məsələn, qaldırma və material idarəetmə avadanlıqlarında davamlı SWC universal milli milli birgə muftingə ehtiyacı olan sənayenin ciddi tələblərini idarə etmək üçün qurulmuşdur. Ətraflı obyektlər də var: CNC seminarları, daşları və istilik müalicəsi maşınları, 3D ölçmə vasitələri - ISO9001 / TS16949 standartlarına uyğundur, buna görə də hazırladığımız hər bir sənaye universal birgə birləşməsi ən keyfiyyətli və dəqiqdir.
Xaricdə məhsullarımızın 80% -i, ABŞ, Almaniya, Yaponiya, İtaliya, Malayziya, Avstraliya, Avstraliya və Yaxın Şərq kimi bazarlara satırıq. Çin, Cənubi Koreya, ABŞ, Sinqapur, ABŞ və İspaniya kimi yerlərdə güclü bir şəbəkə əldə etdik. Bu qlobal Reach, böyük yükləri idarə etməli və uzun müddət davam etməli olan ağır maşınlar universal birgə bağlama sistemləri üçün hazırlanmış SWC Heavy-Cust Universal Birgə Birgə Birgə Birgə Birgə Birgə Sistemləri kimi xüsusi həllər yaratmağa imkan verir.
Yenilik və müştərilərin xoşbəxt olması prioritetlərimizdir. 98,6% -ə qədər ötürmə səmərəliliyinə, yüksək enerji qurğular üçün əməliyyat xərclərini azaltan enerji qənaət edən universal birgə birgə bağlantılar təklif edirik. Səs-küyə ehtiyac duyduğu yerlər üçün böyük güc ötürülməsi və ya aşağı səs-küylü universal birgə birləşmə və ya məhsullarımızın peşəkar satış sonrası xidməti ilə əlaqəli olması və hər şeyə həsr olunmuşuq. Buna görə Raydafon bütün ötürmə ehtiyaclarınız üçün ən yaxşı seçimdir.
Ünvan
Luotuo Industrial Area, Zhenhai District, Ningbo City, Çin
Tel
E-poçt


+86-574-87168065


Luotuo Industrial Area, Zhenhai District, Ningbo City, Çin
Müəllif hüquqları © Raydafon Technology Group Co, məhdud bütün hüquqlar qorunur.
Links | Sitemap | RSS | XML | Məxfilik Siyasəti |
