QR kodu
Haqqımızda
Məhsul
Bizimlə əlaqə saxlayın


Faks
+86-574-87168065

E-poçt

Ünvan
Luotuo Industrial Area, Zhenhai District, Ningbo City, Çin
Raydafon'un swc-wd qısa bir flanş tipli universal birləşmə, ağır maşınlarda fırlanma anı təsirli bir şəkildə hərəkət etmək üçün qurulmuşdur. 180 mm-dən 1320 mm-ə qədər olan Gration diametrləri olan kompakt, teleskopik olmayan flanş dizaynı var. Bu qısa flanş universal birləşməsi bucaqsız birləşmələri 15 dərəcə və torkaya qədər 16000 kn · m-dən yüksək səviyyədə idarə edə bilər, buna görə də çox otağın olmadığı sıx boşluqlarda etibarlı yerlərdə etibarlı şəkildə ötürülür. Biz onu yüksək səviyyədə güclü 35crmo poladdan, ağır maşınlar və sənaye tətbiqləri üçün qeyri-teleskopik universal muftalar üçün universal muftalar üçün boltlara ehtiyacı olmayan bir quruluşa ehtiyac duyuruq. Çox ehtiyatlı olmağı və əbədi qalmağı tələb etmir, bu da sərt quraşdırma ilə ehtiyac duyduğunuz şeydir.
Çində istehsalımız İSO 9001 standartını izləyir, buna görə SWC-WD universal birləşmə sərt şəraitdə saxlayır. Xaç şaftı, sərtliyinə əlavə etmək, korroziyaya qarşı durmaq xromludur. Sərt, qaynaqlı flanş dizaynı, xüsusən də eksenel hərəkatın olduqca minimal olduğu metallurgiya və dağ-mədən avadanlıqları quraşdırır. Ölçüsünüzü ehtiyaclarınıza uyğunlaşdıra bilərik, buna görə bu davamlı qısa universal birləşmə, kran sistemləri və digər ağır iş yerləri üçün xüsusi universal muftalar kimi əladır. Və qiymət də rəqabətdir. Raydafonun dəqiq sənətkarlıqları az iş vaxtı və daha etibarlı avadanlıq deməkdir-Dünyanın sənaye operatorları saymaq olar.
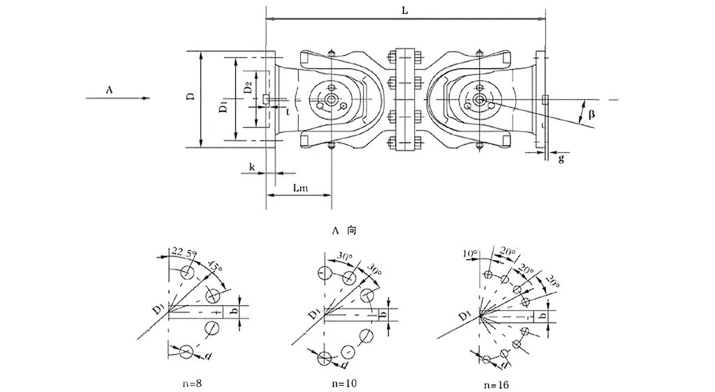
| Hə | Gyration diametri d mm | Nominal tork Tn Kn · m | Balxlar qat açı β (°) | Yorğun tork Tf Kn · m | Ölçü (mm) | Çəki (kq) | |||||||||
| Lansız | D1 (JS11) | D2 (H7) | Lm | n-d | k | t | b (H9) | g | Lansız | Artırmaq 100 mm | |||||
| Swc180wd | 180 | 12.5 | 6.3 | ≤25 | 440 | 155 | 105 | 110 | 8-17 | 17 | 5 | - | - | 0.145 | 52 |
| Swc225wd | 225 | 40 | 20 | ≤15 | 480 | 196 | 135 | 120 | 8-17 | 20 | 5 | 32 | 9.0 | 0.355 | 82 |
| Swc250wd | 250 | 63 | 31.5 | 560 | 218 | 150 | 140 | 8-19 | 25 | 6 | 40 | 12.5 | 0.831 | 127 | |
| Swc285wd | 285 | 90 | 45 | 640 | 245 | 170 | 160 | 8-21 | 27 | 7 | 40 | 15.0 | 1.715 | 189 | |
| Swc315wd | 315 | 125 | 63 | 720 | 280 | 185 | 180 | 10-23 | 32 | 8 | 40 | 15.0 | 2.820 | 270 | |
| Swc350wd | 350 | 180 | 90 | 776 | 310 | 210 | 194 | 10-23 | 35 | 8 | 50 | 16.0 | 4.791 | 370 | |
| Swc390wd | 390 | 250 | 125 | 860 | 345 | 235 | 215 | 10-25 | 40 | 8 | 70 | 18.0 | 8.229 | 524 | |
| Swc440wd | 440 | 355 | 180 | 1040 | 390 | 255 | 260 | 16-28 | 42 | 10 | 80 | 20.0 | 15.320 | 798 | |
| Swc490wd | 490 | 500 | 250 | 1080 | 435 | 275 | 270 | 16-31 | 47 | 12 | 90 | 22.5 | 25.740 | 1055 | |
| SWC550WD | 550 | 710 | 355 | 1220 | 492 | 320 | 305 | 16-31 | 50 | 12 | 100 | 22.5 | 46.780 | 1524 | |
| Swc620wd | 620 | 1000 | 500 | 1360 | 555 | 380 | 340 | 10-38 | 55 | 12 | 100 | 25.0 | 83.760 | 2120 | |
* 1. TF-altından alternativ olaraq yorğunluq gücünə görə icazə verən torku yükləyin.
Raydafon'un SWC Universal Birgə Birgə Birgə Birgə Birgə Birjası - SWC CARDAN MHABL Universal Birgə Birgə Birliyi deyilir; Bu, yuvarlanan dəyirmanlar, qaldırma avadanlığı və ağır maşınların quruluşu kimi ağırlıqlı sənaye sahələrində olmalıdır. Yüksək tork universal birgə birləşmə olaraq, iş şəraiti həqiqətən sərt olduqda, gücün düzgün şəkildə çatdırıldığına əmin olan əmin-amanlığa səbəb olan iki ötürmə şaftını tamamlayan möhkəm bir iş görür.
Gəlin onun əsas xüsusiyyətləri haqqında danışaq: Gyration diametri φ58-dən φ620-ə qədər dəyişir, nominal tork 0,15-dən 1000-ə qədərdir və oxlar, ox bucağı 25 ° -dən çox deyil.
Bu birləşmə, yayma dəyirmanı əməliyyatları üçün etibarlı bir ağır bir universal birgə birgə birgə qoşulma və ya qaldırıcı və material işləmə cihazlarında davamlı bir swc universal birgə muftingə ehtiyacınız olduqda xüsusi ləkələrə bənzəyir. Bu hallarda bu, onun gücünü göstərir: hətta böyük stresslərdə belə, əməliyyatları davamlı, qarışıqlıq və ya parçalanma yoxdur.
Raydafon'un SWC Universal Birgə Birgə Birliyi, yalnız bir yerə atılmadı - ağıllı, müasir mühəndislik ilə böyük işləmək və sənaye istifadəsi üçün uzun müddət davam etmək. Quruluşunun fərqlənməsinə səbəb olanı gəzək.
Birincisi, ağlabatan və təhlükəsiz bir konfiqurasiyaya malikdir: Boltların və ya qırılan boltlar kimi riskləri azaldan bu sənaye universal birgə birləşmə üçün inteqrasiya olunmuş bir çəngəl baş dizaynını istifadə etdik. Təkcə çimdik onu ümumilikdə 30% -50% möhkəmləndirir, buna görə etibarlı və ardıcıl olaraq işləyir. Daimi muftalarla müqayisədə, bu, daha uzun davam edir və ağır iş yerlərində gördüyünüz ağır maşınlar universal birgə bağlama sistemlərinə bənzər yüksək gərginlikli ləkələrdə ümumi problemlərdən çəkinir.
Sonra inkişaf etmiş yük daşıyan gücü var: Bu SWC ağırlıqlı universal birgə qoşma, böyük çəkilərin idarə edilməsi üçün hazırlanmışdır, buna görə dağ-mədən dişli və ya tikinti maşınları kimi, üst-üst-üstə yükləmə ehtiyacı olan yerlərdə olmalıdır.
Ayrıca yüksək ötürmə səmərəliliyi - 98,6% -ə qədər vurur. Böyük enerji ötürülməsi üçün səmərəli bir universal birgə birləşmə kimi, enerji istifadəsini və onunla gələn xərcləri səpir. Buna görə yüksək enerji qənaət edən universal birgə birləşmə həlləri üçün yüksək güclü sənaye ötürücü qurğular üçün ən yaxşı seçimdir.
Və aşağı səs-küylə hamar işləyir: Transmissiya sabit qalır və səs-küy ümumiyyətlə 30-40 dB (a) arasında səslənir. Bu aşağı səs-küylü universal birgə birləşmə, səs-küyün bir problem olduğu sənaye ləkələri üçün mükəmməl olan əməliyyatları sakitləşdirir, bu da yüksək səviyyədə etibarlılıq səviyyəsində bir problemdir.
⭐⭐⭐⭐⭐ Zhang Wei, baş mühəndis, Henan Mədən Edaciyi Co, Ltd.
Dağ-mədən maşınlarımızda flex flanş tipi universal birləşmə olmadan RaydAfon'un SWC-WD-i qısa qoyduq və mükəmməl bir uyğunluq oldu. Onun yığcam dizaynı yalnız ehtiyat boşluqlar üçün lazım olan şeydir və quruluşu dayandırmaq üçün çox yer yoxdur və əməliyyatları davamlı saxlamaq üçün kifayət qədər sərtdir. Ağır şərtlərdə fasiləsiz işləməməsi halında bu birləşmə heç vaxt aşağı düşməz - heç bir uğursuzluq yoxdur. Baxım qrupumuz bunu yoxlamağa ehtiyac duyur, yəni istehsalın əlavə əngəl olmadan rəvan hərəkət edə biləcəyimiz deməkdir.
⭐⭐⭐⭐⭐ Michael Brown, Əməliyyatlar meneceri, Texas polad işləri, ABŞ
Texas seminarımız Raynafondan Flex Flans tipli bir universal birləşmə olmadan SWC-WD-ni qısa və vicdanla sifariş etdi, keyfiyyəti bizi partlatdı. Muftalar həqiqətən yaxşı işlənir, onları quraşdırmaq, bir cinchdir və yük altında olanda da etibarlı şəkildə saxlayırlar. Mənə ən çox nədən yapışdı? Qiyməti və performansını nə qədər yaxşı səviyyədə qalır - tez-tez bu şirin nöqtəni tapmırsınız. Bu keyfiyyət səviyyəsini ardıcıl olaraq təmin edən bir təchizatçı tapmaq asan deyil, amma Raydafon mütləq bizim üçün etibarlı bir tərəfdaş olduqlarını sübut etdi.
⭐⭐⭐⭐⭐ Anna Müller, Baxım Nəzarətçisi, Berlin Sənaye Solutions, Almaniya
Berlin avadanlıqlarımızda Flex Flans tipi Universal birləşmə olmadan RaydAfon-un SWC-WD-ni qısa bir şəkildə qoyduq və nəticələr əla oldu. Məhsulun özü qaya-bərk hiss olunur, qaynaqlar dəqiqdir - burada heç bir şok işdir - bu günə qədər, ən yaxşı davamlılığı göstərərək həqiqətən yaxşı tutulur. Burada Avropada istifadə etdiyimiz bəzi digər markalarla müqayisədə bu birləşmə daha etibarlıdır və qiymət də daha rəqabətdir. Digər şirkətlər etibarlı universal muftalar axtarırsa, tamamilə Raydafon tövsiyə edirəm.
Raydafon'un SWC-WD qısa bir zamanda, swc cardan şaft universal birgə bağlantısı olan universal birləşmə, kobud birgə birgə bağlantısı, yerin məhdud olduğu və sabit uzunluqlu bir dizayn (teleskopik uzantısı yoxdur) adlanır. Yüksək tork universal birgə birləşmə olaraq, bucaqlı sapmalara qədər bucaq sapmalarına həsəd aparan şaftlar arasında fırlanma anı səmərəli şəkildə hərəkət edir və hətta ağır mühitlərdə də etibarlı qalır.
Açar xüsusiyyətləri haqqında danışaq: Bu qısa və sərt bir quruluşa malikdir - bu qısa, çevik olmayan flanşın qurulması, eksenel hərəkatın minimal olduğu quraşdırma üçün əlavə sabitlik verən, yuvarlanan dəyirman əməliyyatları üçün etibarlı ağır bir universal birgə birləşmə halına gətirir. Buna görə sərt maşınlarda sabit məsafəli əlaqələr üçün bu qədər yaxşı işləyir. Sonra yüksək yük daşıyan tutumu var: onu etmək üçün çuqun və ya lehimli polad kimi sərt materiallardan istifadə edirik, buna görə qaldırma və material idarəetmə cihazlarında davamlı bir SWC universal birgə şaft birləşməsidir. Böyük çəkilər tutur və eyni diametrli digər muftalardan daha çox fırlanma anı verir, bu da mədən və ya tikinti qurğusunda ağır yüklər üçün mükəmməldir.
Bu sənaye universal birgə birləşmə, həmçinin səhv, paralel və ya eksenel uyğunsuzluq, rotasiya sürəti və ya tork ötürülməsi ilə qarışmır. Bu, ağır maşınlarda universal birgə birləşmə sistemlərində hamar bir əməliyyat deməkdir. Və elektrik ötürülməsində səmərəlidir: 98,6% -ə qədər səmərəliliyi vurur, bu SWC ağırlıqlı universal birgə birləşmə, enerji itkisini aşağı səviyyədə saxlayır, onu yüksək enerji endirimləri üçün səmərəli universal birgə birləşmə halına gətirir.
Üstəlik, enerjiyə qənaət etmək və səssiz işləmək üçün hazırlanmışdır Və 30-40 dB (a) arasındakı səs-küyü davam etdirir, buna görə də səs-küylü universal birgə birləşmə, səs-küyün bir narahatlıq olduğu sənaye məkanlarında uyğun gəlir.
Bu birləşmə, yayma dəyirmanı əməliyyatları üçün etibarlı ağır bir universal birgə birləşmə və ya qaldırma və material işləmə cihazlarında davamlı bir swc universal birgə muftingə ehtiyacınız olduqda, bu birləşmə həqiqətən xüsusi ssenarilərə bənzəyir. Bu hallarda, həddindən artıq yüklər və məhdud yerlərdə də, əməliyyatları sabit, hıçqırıqları saxlayır.
Sənaye Universal Birgə Birgə Tətbiqlərinə gəldikdə, SWC-WD variantımız ağıllı mühəndislik ilə fərqlənir və onu daha yaxşı və daha uzun müddətə davam etdirir. Açar quruluşu haqqında danışaq: İnteqrasiya edilmiş bir çəngəl baş dizaynı ilə ağlabatan, təhlükəsiz bir quruluşa malikdir - bu, boltların və qırılma kimi problemlərdən qurtulur, ümumi gücü 30% -50% artırır. Bu, etibarlı və etibarlı şəkildə işlədiyini, köhnə üslublu modellərdən daha uzun sürür və ağır maşınlar universal birgə muftlama sistemləri kimi yüksək stresli yerlərdə ümumi parçalanmaların qarşısını alır.
Üstəlik, daha çox yükləyə bilər - daha ağır çəkiləri dəstəkləmək üçün qurduq, buna görə də bu SWC Heavy-Cust Universal Birgə Birgə Birliyi, mədən və ya tikinti avadanlığı kimi sərt yükləmə ehtiyacı olan yerlər üçün mükəmməldir. Həm də güc super effektiv şəkildə, 98,6% -ə qədər ötürmə səmərəliliyinə vurur. Böyük enerji ötürülməsi üçün səmərəli bir universal birgə birləşmə kimi, enerji istifadəsi və onunla birlikdə olan xərcləri yüksək enerji qənaət edən universal birgə bağlama həlləri üçün ən yaxşı bir əlaqə qurma həlləri hazırlayır.
Və bu, hər hansı bir səs-küy ötürmə ilə hamar işləyir və səs-küy ümumiyyətlə 30-40 db (a) arasında qalır. Bu aşağı səs-küylü universal birgə birləşmə, səs-küyün bir problem olduğu, hamısının yüksək səviyyədə etibarlılıq olmasına baxmayaraq, sənaye ləkələri üçün mükəmməl olan əməliyyatları sakitləşdirir.
Raydafon, ötürmə hissələrində yalnız başqa bir ad deyil, yüksək performanslı ötürmə komponentlərinin və sənaye maşınları həllərinin aparıcı istehsalçısı və təchizatçısıyıq və SWC Cardan Mili Universal Birgə Birgə Birgə kimi məhsullara kəskin diqqətimiz var. Qlobal sənayenin inkişaf etdikcə və zaman keçdikcə ehtiyac duyduqları şeylərlə ayaqlaşmağa başladıq, tam bir heyət qurduq: sürət qutuları, sürücü şaftları, hidravlik silindrlər, kasnaklar, həssas maşın alətləri - hamısı necə yaxşı kənd təsərrüfatı və ağır sektorların necə işlədiyini artırmaq üçün hazırlanmışdır. Yenilikdə böyükyıq, buna görə hətta ən mürəkkəb sistemlərə hətta ən mürəkkəb sistemlərə uyğun yuvarlanan dəyirman əməliyyatları üçün etibarlı ağır bir universal birgə birləşmə təmin edə bilərik.
Müəssisələrimiz ən yaxşısıdır, çox - CNC seminarları, daşları və istilik müalicəsi dişli və qabaqcıl 3D ölçmə sistemləri var. Biz ISO9001 / TS16949 kimi ciddi keyfiyyət standartlarına uyğundur və bu quraşdırma bizə Torku böyük və bir pro kimi uyğunsuzluğa aparan yüksək tork universal birgə birgə birgə birgə bağlama həllərini etməyə imkan verir. Davamlı SWC universal birgə milli birgə milli birgə muftinqi, məsələn, çətin yük daşıyan gücə ehtiyacı olan yerlər üçün qurulmuşdur. Və sənaye universal birgə birləşmə xəttimiz? Dəqiq və dayanıqlığınlığın ən çox olduğu hər cür istifadəni əhatə edir.
Etdiklərimizin səksən faizi, ABŞ, Almaniya, Yaponiya, İtaliya, Malayziya, Avstraliya, Avstraliya və Yaxın Şərq kimi yerlərə ixrac olunur. Çində, Cənubi Koreya, İngiltərə, Sinqapur, ABŞ və İspaniyada güclü şəbəkələrimiz var, buna görə də qlobal miqyasda möhkəmik. Bu çatmağımızın xüsusi yüklədiyi ağır maşınlarda olduğu kimi, müştərilərin ehtiyac duyduğu xüsusi maşınlara ehtiyac duyduğu xüsusi SWC ağır birgə birgə qoşulma variantlarını təklif etməyə imkan verir.
Davamlılıq və müştəriləri əvvəlcə qoyan həllər hazırlamağımıza əhəmiyyət veririk. Buna görə yüksək enerji qurğularında 98,6% ötürmə səmərəliliyi ilə nəticələnən enerji qənaət edən universal birgə birgə bağlayıcı həllər hazırlayırıq. Səs-küyün bir problem olduğu sənaye məkanları üçün böyük güc ötürülməsi və ya aşağı səs-küylü universal birgə birləşmə üçün səmərəli bir universal birgə birləşmə ehtiyacınız olub-olmaması, məhsullarımızın tam satış sonrası xidmətləri ilə gəlir. Transmissiya sənayesində etibarlı tərəfdaş olmağa necə çevrilmişik - biz yalnız hissələri satmırıq, biz onları geri satırıq.
Ünvan
Luotuo Industrial Area, Zhenhai District, Ningbo City, Çin
Tel
E-poçt


+86-574-87168065


Luotuo Industrial Area, Zhenhai District, Ningbo City, Çin
Müəllif hüquqları © Raydafon Technology Group Co, məhdud bütün hüquqlar qorunur.
Links | Sitemap | RSS | XML | Məxfilik Siyasəti |
